赛题解析
2D07_L05

题目简介:
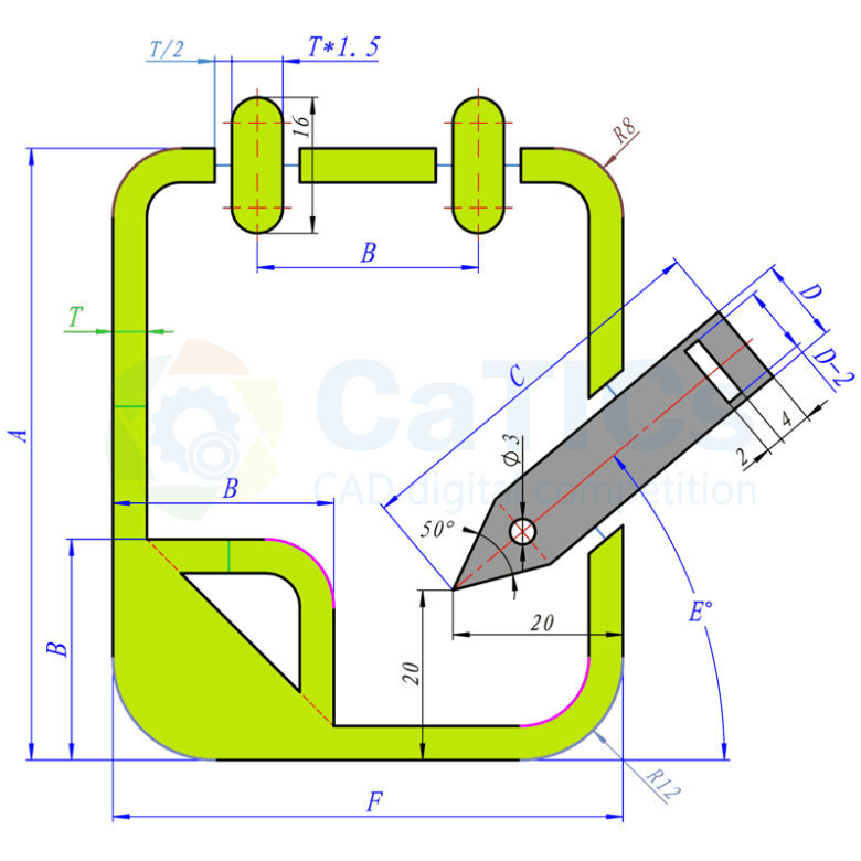
题目:参照下图绘制图形,注意其中的对称、等宽、相切、共线等几何关系。图中同色短线长度相等,同色圆弧等半径。
参数:A=72, B=26, C=45, D=10, E=40, F=60 T=4
问题:1、笔(灰色区域)的面积是多少?(40%分值)
2、文件夹(绿色区域,共五块)的面积是多少?(60%分值)
(输入答案时请精确到小数点后两位,答案区间为100~3000)
2、文件夹(绿色区域,共五块)的面积是多少?(60%分值)
(输入答案时请精确到小数点后两位,答案区间为100~3000)
答案:点击此处












