赛题解析
2D07_H07

题目简介:
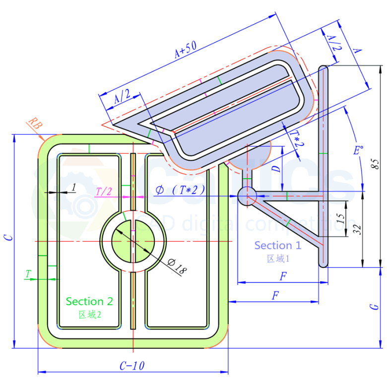
题目:参照下图绘制图形,注意其中的对称、相切、等距等几何关系。图中同色短线长度相等、同色圆弧等半径。
参数:A=32, B=10, C=90, D=19, E=25, F=38, G=34, T=4
问题:1、请问区域一(灰色,共有四块)的面积是多少?
2、请问区域二(绿色,共有七块)的面积是多少?
(输入答案时请精确到小数点后两位,答案区间为1000~9999)
2、请问区域二(绿色,共有七块)的面积是多少?
(输入答案时请精确到小数点后两位,答案区间为1000~9999)
答案:点击此处












